Полевые испытания грунтов на сдвиг применяют для определения прочностных характеристик грунтов таких, как: общее сопротивление грунтов сдвигу т, угол внутреннего трения р и удельное сцепление С, используемых при геотехнических расчетах.

Сдвиговые испытания в шурфах

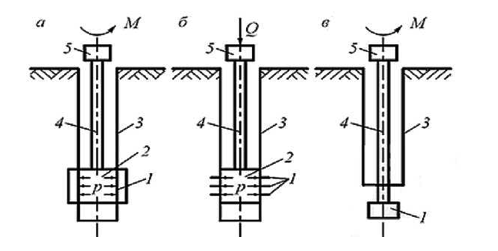
Испытания на сдвиг в шурфах могут проводиться методами раздавливания призмы грунта, сдвигом целика в заданной плоскости, обрушением и выпиранием массива грунта (рис. 55).
Метод раздавливания открытой с четырех сторон призмы грунта предназначен для определения т и применяется для суглинков и глин твердой и пластичной консистенции. Метод является упрощенным. Сопротивление сдвигу т принимается равным половине предела прочности на сжатие.
Метод сдвига целиков на практике обычно применяется для определения сопротивления срезу крупнообломочных грунтов, песков и глинистых грунтов [12]. Характеристики определяют по результатам среза целика грунта в выработке (расчистке, котловане, шурфе, штреке и т.п.) по фиксированной плоскости касательной нагрузкой при одновременном нагружении целика грунта нагрузкой, нормальной к плоскости среза.

Рис. 55. Схема установок для проведения испытаний на сдвиг: а - призмы грунта в заданной плоскости; б - выпиранием массива грунта; в - обрушением массива грунта; 1 - груз; 2 - упорная балка; 3 - тележка;
4 - динамометр; 5 - домкрат; 6 - штамп; 7 - подвижная стенка;
8 - упорная плита; 9 - массив грунта; 10 - поверхность сдвига

 

Принципиальная схема сдвига целика грунта при заданной вертикальной нагрузке показана на рис. 56.

Рис. 56. Схема установки для проведения испытаний на сдвиг целика грунта в заданной плоскости: 1 - груз; 2 - упорная балка с направляющими;
3 - тележка; 4, 8 - динамометры; 5, 10 - домкраты; 6 - штамп; 7 - обойма;
9 - упорная плита; 12 - направляющие пластины

 

Установка для испытаний состоит из цилиндрической (или прямоугольной) обоймы, надеваемой на целик грунта, штампа, устройств для создания и приложения к грунту вертикальных обжимающих и горизонтальных сдвигающих усилий и приборов, измеряющих эти усилия.
Диаметр цилиндрической обоймы должен превышать размер крупных включений в грунте не менее чем в 5 раз. В этом случае можно испытывать глинистые, песчаные и гравийные грунты с включениями до 80 мм в диаметре.
В стенках шурфа или за его пределами с помощью анкерных свай укрепляют опорную балку с направляющими. На целик грунта, заключенного в обойме, устанавливают штамп и прикладывают нормальное давление р, величину которого контролируют по динамометру.
Заданное нормальное давление выдерживают в течение 15... 20 мин, после чего горизонтальным домкратом создают сдвигающее усилие Q, измеряемое динамометром. Усилие от домкрата прикладывают к обойме на высоте 1/3 обоймы от поверхности сдвига. Испытание грунта на сопротивление сдвигу повторяют на другом целике при новом значении нормального давления, которое должно отличаться от принятого в первом испытании на менее чем на 50 кПа.
За сопротивление грунта срезу принимают максимальное значение т, определенное по графику т = f(p) при величине деформации Al, не превышающей 50 мм (рис. 57).
По величинам сопротивления грунта срезу не менее чем трех целиков, определенным при различных нормальных давлениях, строят график зависимости т = f(p). Для этого проводят через все точки аппроксимирующую прямую линию (рис. 58) до пересечения с ординатой.

Прочностные характеристики грунта - угол внутреннего трения р и удельное сцепление С - находят по графику зависимости т = f(p). При этом величина С определяется как отрезок, отсекаемый прямой т = f(p) на оси ординат, а тангенс угла наклона этой прямой к оси абсцисс есть тангенс угла внутреннего трения р или коэффициент внутреннего трения.
По графику т = f(p) производится контроль испытаний и, если разброс опытных данных относительно прямой линии более 30% от величины среднего значения т, результаты испытаний следует считать неудовлетворительными и испытания следует повторить.
Испытания на срез целиков грунта можно проводить методами консолидированного и неконсолидированного среза.
Метод консолидированного среза обычно применяют для определения характеристик грунтов в условиях стабилизированного состояния:
¥    крупнообломочных и песчаных;
¥    глинистых с показателем консистенции IL < 0,75.
Метод неконсолидированного среза следует применять для определения характеристик водонасыщенных глинистых грунтов в условиях нестабилизированного состояния при степени влажности Sr > 0,80 с показателем консистенции IL > 0,5.
При сдвиге призмы грунта испытание проводят по той же методике, но грунт срезают подвижной стенкой, устанавливаемой вертикально, перпендикулярно горизонтальной поверхности сдвига.
Для глинистых грунтов по специальному заданию может быть проведен срез по специально подготовленной плоскости - способ «плашек» и повторный срез.
При проведении испытаний по способу «плашек» необходимо произвести подготовку грунта в плоскости среза в следующей последовательности:
¥    поверхность среза целика после первичного среза должна быть зачищена и выровнена заподлицо с краями кольца;
¥    в выработке следует зачистить поверхность грунта и выровнять в пределах площади, диаметр которой на 20...30 см должен превышать диаметр целика;
¥    целик установить на зачищенную поверхность выработки;
¥    сделать в плоскости среза зазор 5...10 мм между обоймой и поверхностью грунта выработки и выполнить испытание.
При проведении испытаний по способу повторного среза специальная подготовка грунта в плоскости среза не требуется.
Целик грунта после первичного сдвига перемещают в исходное положение, которое он занимал до начала сдвига, и производят повторный сдвиг целика по ранее срезанной поверхности в соответствии с требованиями.
По полученным в процессе испытаний значениям нормальной и касательной нагрузок вычисляют касательные т и нормальные напряжения с и по графику т = f(p), построенному по результатам не менее чем трех испытаний, определяют угол внутреннего трения ф и удельное сцепление С. При этом величина полученного значения сцепления будет соответствовать сцеплению связности iw по Н.Н. Маслову [23].
Нормативные и расчетные значения (ри С для каждого инженерно-геологического элемента (слоя) устанавливают в соответствии с требованиями ГОСТа 20522 [10].

Сдвиг в заданной плоскости целика грунта в виде свободной призмы или грунта, заключенного в специальную обойму, используется для песчаных, глинистых и крупнообломочных грунтов любой влажности и консистенции. Расчет параметров р и С производится на основе не менее трех испытаний с различной нормальной нагрузкой.
Выпирание и обрушение грунта производят в песчаных, глинистых и крупнообломочных грунтах при характеристиках их состояния, обеспечивающих способность грунта сохранять вертикальный откос.
Значения р и С вычисляют на основе рассмотрения условий предельного равновесия выпираемого и обрушаемого клина.
                                    Сдвиговые испытания в скважинах
Испытания грунтов на сдвиг в скважинах производят вращением наконечника с лопастями (крыльчатки). При вращении грунт срезается по цилиндрической поверхности. По величине сдвигающего момента определяют сопротивление сдвигу.
Испытания на сдвиг в скважинах производят с помощью крыльчаток. Крыльчатка представляет собой металлический наконечник, состоящий из четырех тонких прямоугольных продольных лопастей, крестообразно укрепленных на нижнем конце центрально расположенного несущего стержня (рис. 59).
Испытания грунта вращательным, поступательным и кольцевым срезами проводят для определения характеристик прочности: сопротивления грунта срезу т, угла внутреннего трения р удельного сцепления С и оценки пространственной изменчивости прочности грунтов для песков, глинистых, органоминеральных и органических грунтов, в том числе с крупнообломочными включениями размером
2..    .10 мм в количестве не более 15% по массе (ГОСТ 20276-2012) [9].
При полевых испытаниях в зависимости от вида и состояния грунта используют различные типы крыльчаток:
¥    малую - при испытаниях глинистых грунтов тугопластичной и мягкопластичной консистенции, в том числе с примесью растительных остатков, заторфованных, с крупнообломочными включениями размером 2...10 мм в количестве (по массе) менее 15%;
¥    среднюю - при испытаниях глинистых грунтов мягко- и текучепластичной консистенции, в том числе с примесью растительных

остатков, заторфованных, уплотненных торфов, с крупнообломочными включениями размером 2... 10 мм в количестве (по массе) менее 15%;
¥    большую - при испытаниях глинистых грунтов текучей и текучепластичной консистенции, в том числе заторфованных, торфов и илов (без крупнообломочных включений).

Рис. 59. Схема прибора вращательного среза грунта в скважине:
1 - крыльчатка; 2 - штанги; 3 - операторский столик;
4 - скважина, обсаженная трубами

 

Схемы полевых испытаний грунтов крыльчаткой приведены на рис. 60. Эти методы применяются для испытаний грунтов на глубинах до 10 м (кольцевой срез) и до 20 м (поступательный срез).
В методе кольцевого среза используется распорный штамп с продольными лопастями. С помощью распорного штампа лопасти вдавливаются в стенки скважины и создается нормальное давление на стенки.

Рис. 60. Схемы испытаний грунта в скважинах на срез крыльчаткой: а - кольцевой; б - поступательный; в - вращательный; 1 - лопасти;
2 - распорные штампы; 3 - скважины; 4 - штанги;
5 - устройства для создания и измерения усилия

Метод кольцевого среза Метод кольцевого среза - испытание на срез грунта, предварительно уплотненного или неуплотненного нормальным давлением, проводимое путем приложения горизонтальной срезающей (касательной) нагрузки и смещения грунта по цилиндрической поверхности, образуемой в скважине вращением рабочего наконечника с продольными лопастями (рис. 60, а).
Значения прочностных характеристик грунта р и С определяют по величинам нормального давления р и сопротивления грунта срезу г по уравнению
т = ptg р + с.    (4.1)
Величину т определяют при трех различных значениях р для каждого инженерно-геологического элемента (слоя).
По результатам испытаний определяют величину максимального крутящего момента Mmax по формуле
M = nN    (4 2)
max    max
где n - постоянная измерительного устройства, кН, определяемая по формуле;
M
n = —,
N
(4.3)
где М - крутящий момент, кН см; N - показания измерительного устройства, см.
Сопротивление грунта срезу, кПа, при каждом нормальном давлении вычисляют по формуле

т=—fx,    (4.4)
nD 2H
где Н - высота распорного штампа; D - диаметр кольцевой поверхности среза определяют по формуле
D = D0 + 2m,    (4.5)
где D0 - диаметр скважины после предварительного уплотнения грунта; m - рабочая ширина лопасти.
По величинам сопротивления грунта срезу т, определенным при различных нормальных давлениях р, строят график зависимости т = = f(p) в соответствии с требованиями ГОСТ 23741 [12] (см. рис. 58) и определяют прочностные характеристики грунта - угол внутреннего трения ри удельное сцепление С.
Испытания грунта в опытных скважинах методом кольцевого среза рекомендуется проводить в консолидированном или неконсолидированном режимах.
Консолидированный режим испытания применяют для определения прочностных характеристик глинистых грунтов с показателем консистенции 0< IL < 0,75 в условиях стабилизированного состояния, а также песков крупных, средней крупности, мелких и пылеватых, средней плотности и рыхлых, маловлажных и влажных.
Неконсолидированный режим испытания следует применять для определения прочностных характеристик глинистых грунтов с показателем консистенции IL > 0,50 при степени влажности Sr > 0,8 в условиях нестабилизированного состояния.
При консолидированном режиме испытания сначала следует произвести предварительное уплотнение грунта, а затем - срез грунта в процессе ступенчатого или плавного увеличения срезающего давления. При неконсолидированном режиме испытаний без предварительного уплотнения нормальные давления р передаются сразу в одну ступень, при которой будет производиться срез грунта. Срез грунта при неконсолидированном режиме испытаний выполняется в течение 5 мин, считая с момента окончания приложения нормального давления.
Метод поступательного среза
В методе поступательного среза используется распорный штамп с поперечными лопастями. С помощью распорного штампа лопасти вдавливаются в стенки скважины.

Метод поступательного среза - испытание на срез грунта, предварительно уплотненного или неуплотненного нормальным давлением. Срез проводится вертикальной срезающей (касательной) нагрузкой в виде смещения грунта по боковой поверхности скважины вертикальным перемещением рабочего наконечника с поперечными лопастями.
Сопротивление грунта срезу т в этом случае при каждом нормальном давлении р вычисляют по формуле
т = 0-^,    (4.6)
где Q - максимальное сопротивление грунта вертикальному срезу с учетом массы распорного штампа, кН; F - площадь поверхности среза, см2; 0,95 - коэффициент, учитывающий сопротивление грунта перед верхней поперечной лопастью в установке поступательного среза.
По величинам сопротивления грунта срезу, определенным при различных нормальных давлениях, строят график зависимости т = f(p) в соответствии с требованиями ГОСТ 23741 и определяют прочностные характеристики грунта - угол внутреннего трения р и удельное сцепление С (см. рис. 58).
Метод вращательного среза
Метод вращательного среза - испытание на срез грунта, проводимое в условиях практического отсутствия дренирования путем приложения горизонтальной срезающей (касательной) нагрузки и смещения грунта по цилиндрической поверхности, образуемой вращением крыльчатки ниже забоя скважины или в массиве (рис. 60, б, в). Испытания крыльчаткой проводят на глубинах до 20 м.
Вращательный срез в массиве позволяет определять природную прочность торфов, илов и глинистых текучих, текуче- и мягкопластичных грунтов и прочность, возникающую после разрушения в грунте структурных связей вращающимися лопастями крыльчатого наконечника.
Для глинистых, органоминеральных и органических грунтов с IL > 1 в нестабилизированном состоянии определяют угол внутреннего трения р и удельное сцепление С, принимая условно р= 0 и С = ттах.
Максимальная природная (до разрушения в грунте его структурных связей) прочность грунта ттах определяется по пику кривой зависимости крутящего момента от деформации грунта, т.е. от угла поворота крыльчатки в массиве (рис. 61), по формуле

т = ^max    (4 7)
max в >    \У'/
О
где В - постоянная крыльчатки, см3.
Постоянная крыльчатки В равна статическому моменту цилинд-
рической поверхности среза относительно оси вращения, вычисляе-
мому по формуле
ж d2
В =
■(л + |),    (48)
2
где d - диаметр крыльчатки, см; h - высота крыльчатки, см.
После разрушения крыльчаткой естественного сложения грунта и его структурных связей остается прочность rmin, которая обусловлена только водно-коллоидными связями между частицами. На рисунке 61 она соответствует горизонтальному участку графика.

Рис. 61. График зависимости сдвигающего усилия от угла поворота крыльчатки

Установившуюся прочность характеризует то остаточное сопротивление сдвигу, которое в основании проектируемого сооружения или в откосе выемки, за обделкой тоннеля может оказать нагрузке грунт после разрушения его структурных связей механизмами при строительстве либо вследствие выветривания в период эксплуатации, определяют по формуле
= Mrnn.    (4.9)
Lmin в    \r'w/
Отношение величин максимальной природной и установившейся прочности, т.е. так называемый показатель структурной прочности (или чувствительности), у разных грунтов неодинаков. Этот показатель и разница величин максимальной и установившейся прочности характеризуют относительную и абсолютную прочность структурных связей грунта (химических, ионных, ковалентных и др.) и косвенно степень литификации торфа, илов и глинистых отложений разного возраста и генезиса.
Метод одноповерхностного вращательного среза (метод ОВС) Метод ОВС [25] заключается во вращательном срезе грунта лопастным наконечником - крыльчаткой - только по торцевой (круговой) поверхности вращения, на которой с помощью пригрузки создается необходимое нормальное давление рп. Боковая поверхность вращения исключается с помощью тонкостенного цилиндрического кольца, жестко закрепленного на крыльчатке (рис. 62).
Метод ОВС предназначен для полевого и лабораторного определения прочностных характеристик (угла внутреннего трения ф и сцепления С) грунтов, содержащих не более 20% фракций > 2 мм.
Нормативные и расчетные значения (ри С для каждого инженерно-геологического элемента (слоя) устанавливают в соответствии с ГОСТом 20522.

Фото сдвиговой установки приведено на рисунке.


 

https://www.karta24.by.geoekoproekt.by/sites/default/files/styles/slide/public/uslugi/img-ba75aea2d3b186ea9a656df4af2e1930-v.jpg?itok=ZA9_IHZX

Хотите узнать стоимость услуги?